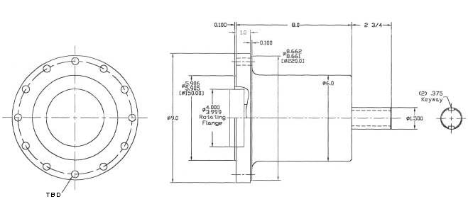
ANVIL Series Headstand Rotating Thrust-Meter


EMS Home